거미크레인(주) 장비를 소개합니다.
JEKKO
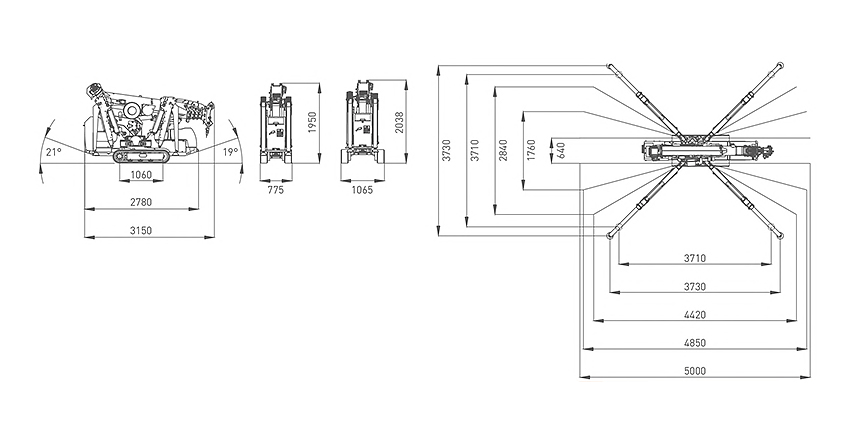
| 제원 |
|
|---|---|
| 최대작업반경 |
|
| 붐 |
|
| 기복 장치 |
|
| 선회 장치 |
|
| 아우트리거 |
|
| 주행 장치 |
|
| 호이스트 |
|
| 엔진 |
|
| 조종 형식 |
|
| 안전 장치 |
|
| 옵션 |
|

| Main Winch | ||||||
|---|---|---|---|---|---|---|
| 800kg (Single line) |
70m - Φ 7mm | 26-31.8 m/min | ||||
| 최대 허용 중량 | 와이어(선) | 미터 |
|---|---|---|
| 2400kg | 3 | -20m |
| 1600kg | 2 | -32m |
| 800kg | 1 | -65m |



| JEKKO - SPX424 | ||||||
|---|---|---|---|---|---|---|
| 구분 | 높이(m) | |||||
| 4.85 | 5.85 | 6.85 | 7.85 | 8.53 | ||
| 작업 반경 (m) |
1 | 2000 | 2000 | |||
| 2 | 1600 | 1380 | 1230 | 1150 | 1100 | |
| 3 | 1380 | 1220 | 1170 | 1080 | 970 | |
| 4 | 1240 | 1180 | 1080 | 970 | 880 | |
| 5 | 890 | 810 | 790 | 740 | ||
| 6 | 640 | 620 | 590 | |||
| 7 | 500 | 480 | ||||
| 7.7 | 420 | |||||
(단위 : kg)